康比電子roducts
國產晶振
臺產晶振
進口晶振
- 日本大真空晶振
- 愛普生晶振
- 精工晶振
- 西鐵城晶振
- 村田晶振
- 進口KSS晶振
- NDK晶振
- 大河石英晶振
- 美國CTS晶振
- 微晶晶振
- Abracon晶振
- ECS晶振
- Golledge晶振
- IDT晶振
- Jauch晶振
- Pletronics晶振
- 拉隆晶振
- SiTime晶振
- Statek晶振
- 格林雷晶振
- 康納溫菲爾德晶振
- 日蝕晶振
- 瑞康晶振
- 維管晶振
- AEK晶振
- AEL晶振
- Cardinal晶振
- Crystek晶振
- Euroquartz晶振
- FOX晶振
- Frequency晶振
- Geyer晶振
- KVG晶振
- ILSI晶振
- MERCURY晶振
- MMDCOMP晶振
- MtronPTI晶振
- QANTEK晶振
- QuartzCom晶振
- Quarztechnik晶振
- Suntsu晶振
- Transko晶振
- Wi2Wi晶振
- Fujicom晶振
- Interquip晶振
- ITTI晶振
- Lihom晶振
- MTI晶振
- NAKA晶振
- Oscilent晶振
- PDI晶振
- Rubyquartz晶振
- Shinsung晶振
- SMI晶振
- CTECH晶振
- IQD晶振
- Microchip晶振
- NJR晶振
- Silicon晶振
- Anderson晶振
- Fortiming晶振
- CORE晶振
- NIPPON晶振
- NICKC晶振
- QVS晶振
- Bomar晶振
- Bliley晶振
- GED晶振
- FILTRONETICS晶振
- STD晶振
- Q-Tech晶振
- Wenzel晶振
- NEL晶振
- EM晶振
- PETERMANN晶振
- FCD-Tech晶振
- HEC晶振
- FMI晶振
- Macrobizes晶振
- AXTAL晶振
- Sunny晶振
- 瑞薩Renesas晶振
- SKYWORKS晶振
- Dynamic迪拉尼晶振
車載電子
數碼電子
智能家居
時計產品
無線網絡
智能穿戴
醫療器械
無人機
0755-27876201
常見問題
更多>>-
.jpg)
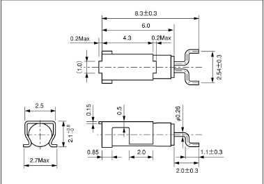
CITIZEN彎腳晶體,CMJ206T晶振,32.768KHZ進口晶振應用于多種電子消費類,手機應用,藍牙多功能播放器,無線通訊產品,平板電腦等多個領域,因32.768KHZ晶體本身外觀款式多元化,所以適合多個產品應用.并且滿足歐盟ROHS環保要求,晶體本身有重量輕,體積小,超薄型等多種優勢,得到市場認可.
.jpg)
項目 模型 CMJ206T 條件 標準頻率 fo 32.768KHZ 周波數偏差 ppm ±10ppm ±20ppm 或指定 at25℃ 負載電容 CL 12.5pf或指定 工作溫度范圍 TopR -20℃~+75℃ 儲存溫度范圍 TsTR -40℃~+85℃ 變曲點溫度 TM 25℃±5℃ 溫度系數 β -0.034±0.006ppm/℃² 動態電阻 R1 35KΩ Max 40KΩ Max 50KΩ Max at25℃ 激勵電平 DL 1μW Max 老化率 △f/fo ±3ppm Max ±5ppm Max 25℃±3℃ 并聯電容 Co 1.2PF Typ 1.0Typ .jpg)
.jpg)
.jpg)
-
老化( AGING ):
“ 老化” 顧名思意就是指在某一段特定時間范圍內, 石英晶體共振子隨時間的頻率變化, 以百萬分之一 ( parts per million, ppm ) 為表示的單位. 老化在頻率與時間上的特性曲線, 一般是呈現指數(exponential)型態的變化. 頻率老化變動最大的期間是在石英頻率組件制成后的第一個月. 之后, 頻率的變化就隨時間逐漸減少. 頻率的老化特性有好幾個主要的因素影響. 比如說, 封裝的方法, 材料的種類, 制程溫度, 制程管控, 熱處理過程及產品的尺寸和頻率高低. 在規格上大多都要定義出短期(1~3個月) 或長期(1~10年)的頻率老化需求.儲存溫度范圍( STORAGE TEMPERATURE RANGE ):除了在前面的工作環境溫度范圍之外, 另一項與溫度有關的特性是”儲存溫度范圍(Storage Temperature Range)”. 這個參數指的是產品在靜態狀況下可以儲存的最高與最低溫度范圍. 在這個溫度范圍內, 產品必需保證在長時期的儲存后, 還是可以在工作溫度范圍內正常的工作并符合規格. 這項特性與石英晶體共振子的組件設計及制程設計有很大關系, 要小心的定義.
西鐵城科技自1918年成立以來專業致力于石英手表以及石英晶振的研發、生產、銷售.公司規模龐大,根據不斷擴大業務范圍,目前在多個國家設有分廠,在全球范圍內均設有銷售網絡.公司生產的晶體應用于安防監控系統、智能手機、衛星GPS、汽車音響、車載電臺、汽車防盜報警系統、平板電腦、數字電視接收器、通訊設備、電波鐘表、電腦、電子數碼等高科技行業產品.
2003年通過ISO14001環境管理系統驗證,秉持“污染預防、持續改善”之原則,公司事業廢棄物產出量逐年降低,可回收、再利用之廢棄物比例逐年提高,各項排放檢測數據符合政府法規要求.并由原材料管控禁用或限用環境危害物質與國際大廠對于綠色生產及綠色產品的要求相符,于2004年通過SONY 綠色伙伴(Green Partner)驗證. 公司于2008年12月通過OHSAS18001職業安全衛生管理系統驗證,提供勞工符合系統要求的安全衛生工作環境.

1、技術支持:全方位技術指導,專業的技術支持讓您感受到前所未有的后顧無憂.
2、客服咨詢:專業的銷售團隊,耐心為您解答任何疑問,讓您的消費得到保障.
3、質量保證,誠信為本,上我司以“以科技為動力,以質量求生存,”為理念.
4、提升業績,降低成本為您的產品量身訂制,免費取樣,為您做到低成本,高效率.
康比電子聯系方式:
Q Q: 577541227
電 話:0755-27876201
手 機: 13728742863
Email: kangbidz@163.com
網 址: http://www.nhthj.cn/
地 址: 廣東省深圳市寶安區41區33棟6層






