康比電子roducts
國產晶振
臺產晶振
進口晶振
- 日本大真空晶振
- 愛普生晶振
- 精工晶振
- 西鐵城晶振
- 村田晶振
- 進口KSS晶振
- NDK晶振
- 大河石英晶振
- 美國CTS晶振
- 微晶晶振
- Abracon晶振
- ECS晶振
- Golledge晶振
- IDT晶振
- Jauch晶振
- Pletronics晶振
- 拉隆晶振
- SiTime晶振
- Statek晶振
- 格林雷晶振
- 康納溫菲爾德晶振
- 日蝕晶振
- 瑞康晶振
- 維管晶振
- AEK晶振
- AEL晶振
- Cardinal晶振
- Crystek晶振
- Euroquartz晶振
- FOX晶振
- Frequency晶振
- Geyer晶振
- KVG晶振
- ILSI晶振
- MERCURY晶振
- MMDCOMP晶振
- MtronPTI晶振
- QANTEK晶振
- QuartzCom晶振
- Quarztechnik晶振
- Suntsu晶振
- Transko晶振
- Wi2Wi晶振
- Fujicom晶振
- Interquip晶振
- ITTI晶振
- Lihom晶振
- MTI晶振
- NAKA晶振
- Oscilent晶振
- PDI晶振
- Rubyquartz晶振
- Shinsung晶振
- SMI晶振
- CTECH晶振
- IQD晶振
- Microchip晶振
- NJR晶振
- Silicon晶振
- Anderson晶振
- Fortiming晶振
- CORE晶振
- NIPPON晶振
- NICKC晶振
- QVS晶振
- Bomar晶振
- Bliley晶振
- GED晶振
- FILTRONETICS晶振
- STD晶振
- Q-Tech晶振
- Wenzel晶振
- NEL晶振
- EM晶振
- PETERMANN晶振
- FCD-Tech晶振
- HEC晶振
- FMI晶振
- Macrobizes晶振
- AXTAL晶振
- Sunny晶振
- 瑞薩Renesas晶振
- SKYWORKS晶振
- Dynamic迪拉尼晶振
車載電子
數碼電子
智能家居
時計產品
無線網絡
智能穿戴
醫療器械
無人機
0755-27876201
常見問題
更多>>
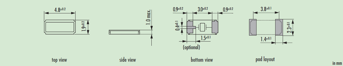
Jauch晶振,貼片晶振,JTX520晶振,此款SMD晶體并且可以承受回流焊接的高溫,波峰焊接,回流焊接等,貼片表晶主要特點是該產品排帶包裝,焊接模式主要使用SMT焊接,給現代SMT工藝帶來高速的工作效率
石英晶振多層、多金屬的濺射鍍膜技術:是目前研發及生產高精度、高穩定性石英晶體元器件——石英晶振必須攻克的關鍵技術之一。石英晶振該選用何鍍材、鍍幾種材料、幾種鍍材的鍍膜順序,鍍膜的工藝方法(如各鍍材的功率設計等)。使用此鍍膜方法使鍍膜后的晶振附著力增強,貼片晶振頻率更加集中,能控制在最小ppm之內。
.jpg)
| Jauch晶振規格 | 單位 | JTX520晶振頻率范圍 | 石英晶振基本條件 | |
| 標準頻率 | f_nom | 32.768KHZ | 標準頻率 | |
| 儲存溫度 | T_stg | -40°C ~ +90°C | 裸存 | |
| 工作溫度 | T_use | -20°C ~ +70°C | 標準溫度 | |
| 激勵功率 | DL | 200μW Max. | 推薦:1μW ~ 100μW | |
| 頻率公差 | f_— l |
±50 × 10-6 (標準), (±15 × 10-6 ~ ±50 × 10-6 可用) |
+25°C 對于超出標準的規格說明,請聯系我們以便獲取相關的信息, http://www.nhthj.cn | |
| 頻率溫度特征 | f_tem | ±30 × 10-6/-20°C ~ +70°C | 超出標準的規格請聯系我們. | |
| 負載電容 | CL | 12.5pF ~ ∞ | 不同負載要求,請聯系我們. | |
| 串聯電阻(ESR) | R1 | 如下表所示 | -40°C — +85°C, DL = 100μW | |
| 頻率老化 | f_age | ±5 × 10-6 / year Max. | +25°C,第一年 | |
.jpg)


PCB設計指導
(1) 理想情況下,機械蜂鳴器應安裝在一個獨立于石英晶體器件的PCB板上。如果您安裝在同一個PCB板上,最好使用余量或切割PCB。當應用于PCB板本身或PCB板體內部時,機械振動程度有所不同。建議遵照內部板體特性。
(2) 在設計時請參考相應的推薦封裝。
(3) 在使用焊料助焊劑時,按JIS標準(JIS C 60068-2-20/IEC 60,068-2-20).來使用。
(4) 請按JIS標準(JIS Z 3282, Pb 含量 1000ppm, 0.1wt% 或更少)來使用無鉛焊料。
存儲事項
(1) 在更高或更低溫度或高濕度環境下長時間保存晶振時,會影響頻率穩定性或焊接性。請在正常溫度和濕度環境下保存這些石英晶振產品,并在開封后盡可能進行安裝,以免長期儲藏。
正常溫度和濕度:
溫度:+15°C 至 +35°C,濕度 25 % RH 至 85 % RH(請參閱“測試點JIS C 60068-1 / IEC 60068-1的標準條件”章節內容)。
(2) 請仔細處理內外盒與卷帶。外部壓力會導致卷帶受到損壞。Jauch晶振,貼片晶振,JTX520晶振

1、技術支持:全方位技術指導,專業的技術支持讓您感受到前所未有的后顧無憂.2、客服咨詢:專業的銷售團隊,耐心為您解答任何疑問,讓您的消費得到保障.
3、質量保證,誠信為本,上我司以“以科技為動力,以質量求生存,”為理念.
4、提升業績,降低成本為您的產品量身訂制,免費取樣,為您做到低成本,高效率.

康比電子聯系方式:Q Q: 577541227
電 話:0755-27876201
手 機: 13728742863
Email: kangbidz@163.com
網 址: http://www.nhthj.cn/
地 址: 廣東省深圳市寶安區41區33棟6層






